產品分類
步進電機-步進電機驅動器
兩相步進電機驅動器
三相步進電機驅動器
步進電機
兩相步進電機
三相步進電機
閉環(huán)步進電機驅動器
無刷電機驅動器
直流無刷電機
42BZ直流無刷電機
42BZ直流無刷減速電機
57BL(57BZ)直流無刷電機
57BL(57BZ)直流無刷減速電機
57BZF直流無刷電機
60BL直流無刷(伺服)電機
60BL直流無刷減速電機
70BL直流無刷(伺服)電機
80BF直流無刷電機
80BF直流無刷風扇電機
86BL直流無刷(伺服)電機
86BL直流無刷減速電機
86H步進剎車電機
110BL直流無刷(伺服)電機
閉環(huán)無刷電機驅動器
交流伺服電機驅動器
交流伺服電機

聯系我們

地址:常州市新北區(qū)錫山路11號

聯系人:王經理

電話:13775239982

傳真:0519-81582607

網址:tottibarbearia.com

郵箱:fy-cz@163.com

網站首頁 > 新聞中心 > 

新聞中心

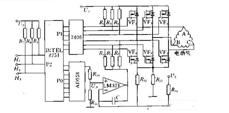
無刷電機驅動電路之單片機控制直流無刷電動機驅動及接口電路圖

  圖1示出采用8751單片機來控制直流無刷電動機的原理框圖。8751的P1口同7406反相器聯結控制直流無刷電動機的換相,P2口用于測量來自于位置傳感器的信號H1、H2、H3,P0口外接一個數模轉換器。

  

詳細無刷電機驅動程序_五款無刷電機驅動電路


  圖1 直流無刷電動機計算機控制原理圖


上一篇: 無刷電機驅動電路之三相全橋驅動電路   下一篇: 無刷電機驅動電路之電動車無刷電機控制器驅動電路圖